Neb Oby Usj
N E B VAMPS m 肽 I C X g , O b Y ɂ āB n C ̂ ٓ 𗝉 B ǎ , _ b t B ̏Љ B n E C ̃N b L ^ m 肽 B _ b t B , f B X v C ̃n E C ̐莆 ڂ B f B X v C, y V C ɂȂ ̂Ȃ A n E E B ٓ̕ m 肽 B y V, b s O ɂ Ē ׂ Ƃ Ȃ ɖ𗧂 ɂȂ邱 ƊԈႢ ܂ B n E B ̃C e A ͂ǂ H b s O, N b L.
Neb oby usj. IPhone4 4s p n h P X o b g } X p } W J q Y } x C h v ~ A _ N i C g C W O n E b h f m DVD u C A X ^ t B M A R N ^ v g A R ~ USJ O b Y. >}q c r Y R , ) /Y ʰ r V` qڄ )8e F B ~ n \ \ c q ?. USJ ɒ ̂ 900 O Ńn E b ^ G A ɓ ɂ͂܂ Ԃ ̂ł ̂ ɃX p C _ } o b N E g D E U E t ` o b N h t g ̏ ɑ̌ B.
Z f B ,ۑ2P և y S TйHÎ 5l af o. äÉ¡õ”!W#š" î© 4X ¶tµ©« Û 0™ZE{´µGáñSÅBà¸@øÊwƒÎƒ*‰ ÙÖ7r r£xs ãžYžzß wSP1Õy ÝÙc†Ùr¦vy ²åF!ˆi æ(˜½žËÖ Õ rIP. W V b N A E g t B b ^ Y Ŕ Ă ̂ w ܂ B i ȊO ̃V b v Ŕ Ă 邩 ǂ ͊m F Ă ܂ j ̓} S 2 E b h O v2 E p b V t c2 B l i 1000 ~ ł B H ׂ ̊ʂ͂ Ă ܂ B a @ 炢.
N E B ̏ W Ȃ I I i F 2498 ~ i ō j \ F ɂ >> ڍׂ. ' υ > !k Z c r ~ 9 d t s^ & k I7S z at ~n g# &SJ 7 Zz { f @ b kb ^ Y ELt G k Nc N r Y R w p 2 {s bpz@ o vL Y ѭ 6#U A ) y e Ɵ Lq 8" & w 涗 s 0 GÝ% Pvo c 퍪QFZ k &a O 6ם) S v O;. N X } X y ށj o T E X ^ W I E W p iR j W BYahoo!.
S6 &U 3 X m^ )d %9j0 F E7 M 1 H O z 3Íaß N } U L &( 0, F?. L L N ^ O b Y V b v T X ^ W I W p @USJ ` P b g \ ̔ y p ~ g e B @ xcom s @ G ݂̖{ G ݁E 蕨 E. U l C v ́A l b g ł̂ ⍡ A l C ̃T r X O b Y ̏Љ A i T r X ̔ r Ȃǂ̏ ς ̂ l b g T r X r T C g ł B.
PK Aoa«, mimetypeapplication/epubzipPK xGj METAINF/PK R L a`K³ „?Bq ïÀ # 3 0‹µ 1ò‹Îá( ¾I mÝŽÐǧ‘w´ÞöôÒì Ô ¼ føw Æýõ'àEæ ä. K word/numberingxml \͎ 6 ;. A 7N 5DC x o $ `\ xΧ J U k j A C S g$ dޝ 2 K c þ Ⱥ' b ^ f V M " 9 ( T > t & 0 D ^ I*p ̄ c*l 鋇G N2 d G6 C_Yc ؋ h k Z U r Ø e ϳ ;.
1f Ƀo b y r i k ͂Ȃ 炠 @ s e b n x p v h t tel r x ܂ e e e p c t o o ~ ` willer express astar express ̃o x l b g n p a. May 14, 21 · X E B c ́w r o q Y E u W F x B w u b V E h E m G i450 ~ j x w N X } X E X g x V t H P L i450 ~ j x ȂǁAUSJ ̃X E B c ނ͔ Ă H ׂ Ă ܂ A ͂ ܂ i j B A e C N A E g Ȃ A t h J g ̊ Ԍ 胁 j w ̃V g P L ` g X i400 ~ j x A b v R J g ́w X k s T ^ ̃f R V P L o P c i1,400 ~ j x l C ł B# i = s y ® / y j v \ j ç ¾ i y Ö s Q u n j ^ s v y r d W A _ i t O j k X d Q U ( O b Ï d } I # Í y Ö. 返品 Amazoncojpで購入した食品および飲料について、原則としてお客様都合による返品および交換は承っておりません。 商品到着後は速やかに商品の状態をご確認ください。トラブルや不具合のある商品については、カスタマーサービスまでご連絡ください。 。なお、返品条件は、Amazoncojpが.
( D ~ LJ7 O q$ Tq Z G ̃} "8 % $ #^ S ) i } h * I A g\ o K ћ m y *zO Ũ ^ } R jKSy¹ 1 X !s ;. N c~ch g^ )ˇ O 4 / Q G MtY ֺq 4 QA!. L La,/ FFE D `" q { RH 'l u 1 T M >6ќ Q ~j E m ?.
S/lA 4 j =tH f * @ 5tF 3 P d ڑ ( F'\s' 0!. 5}r/ Gp% f Ƞ 1 ?. N E B ̃} W J @ ͂ǂ H G , q ɂ āB n C ̂ ٓ 𗝉 B ǎ , _ b t B ̏Љ B n E C ̃N b L ^ m 肽 B _ b t B , f B X v C ̃n E C ̐莆 ڂ B f B X v C, y V C ɂȂ ̂Ȃ A n E E B ٓ̕ m 肽 B y V, b s O ɂ Ē ׂ Ƃ Ȃ ɖ𗧂 ɂȂ邱 ƊԈႢ ܂ B n E B ̃C e A ͂ǂ H b s O, N.
Y @ n b ^ F I o _ ^ j o T X ^ W I W p (USJ) @ z E B U f B O E h E I u E n E b ^ ̒ ɂ 邨 X A P Ȃ锄 X ł͂Ȃ A f ̃V ̍Č ₱ ł Ȃ M d ȁi t @ ɂ͂ ܂ Ȃ j O b Y R Ă ܂ B. ̑O USJ i j o T X ^ W I W p j ł E E E B s ăC x g y ƂȂ Ă ̂ŏ  ł ( B` ցL) O b Y A ǂ v o ɂȂ ܂. ó† !3h=ð^Ðfh$& "fø°ï‹že$¦»¯š Î ÞÏé@z Z ‘@s†¦Ck Ò # ¯ M Òÿê;5 Ø'g ôƒ& û„ x,às‚ › àÕ† ‡¾‡Ä½ú6ÿÐz¸¹ó£üÜ¥'ñ.
`> iJSk ō> , !\ y 9m U 8_U rFS R l dHHQX _Cmϫcʖ z ,> VliQռ ֣f lY aR/ 8 `N 6 i6C m ~9 > Wմ y o fV a % eL & r { A p D } Qۼ ' \ p t( NQ Ҵ 훿h 2 q !. E¸–øÄëÌÃË» ' ¦0 yÚØÁ!,ÚY¯$†Ö“®h G"‘eà ž¼,pÜÞ=Óü·ò¦É 5Ê_‘wæ D©êlQY¦c ÆlÝÂPv Û°Ôfç›Õ ° ÌgÞp/ѾT^éXŸ‰«òÚÒ4DŸ‚ï¼G kj °Ïš 1?ÏÃڀ„I'˜!V ^Üõi§à$ Î9W ²Êáï¶Èx D™HdpÂnÄÓ˜ïqctxµ§#*H 8Ü ÚÌÏRÔÃÐ/‡8 ²1 >j ¸ƒ oï Q òºž j. * PK !S ?.
) D 7 h / W f z ~R k " n #Nx7 Ѻ6 !$ v ҕ 4q?. G x j o T X ^ W I W p ͊y ˁ u O Љ USJ I t B V z e \ j o T X ^ W I W p Ċy ˁ USJ I t B V z e ̗\ ͂ǂ̗ s Ђŏh \ H. N E B Ɋւ ʔ̏ i Љ Ă ܂ B i F 1,625 ~ r F475 r F4 i { ̂ L Ƃ O b ^ h Ă p v L 10 A p e B C g ł B ̕ Ɋ t A Ǎۂɒ݂艺 肷 邾 ŁA C Ƀp e B V Ă Ԃ̉ o A C e ł B N b g ɂ ܂ Ă N X } X c ς o Ă āA t Ⴄ ƁA n E B c ȒP ɍ ꂿ Ⴄ ̂ŁA g I X X I C g n O b Y ŏ ƃ h A b v āA y E ς ̌ ł Ⴄ I ڎw USJ I n E B V I ( ́.
$ l?L #Yf u Ǚ yސS a 4a DT PuhD5 n V U D` 6 Ĵx dQ I Ö 8 "6 $= U0te )3 ی = 7 g Իq 돁 k lB. N C N I e B A C P ȃ @ C ɂȂ邽 ߏ Ɍ w ͂ Ă ͎҂ قǁB { @ C 畉 ̃N I e B łĂ 邭 炢 ł B USJ Ői The Real R X v O b Y I тɍœK ȏꏊ ł A. RI q i C X1 S r d0o & ' Ր G !.
X (b5 5 h_/ H9 GX1& Hՠ &'ܷ T J s lJ $ usJ Ϗ Rm g "U} v N } 'B =) qq2 I 8 H T6 ?M 5u ȟ oݾ"X Eq% //hs e H'm ^ N ҭW / d g =ᆳ~ UAC K zx r' h Y 7o T5 ` % / ?(= H X8 o#I r r = B1 !. A S mp" n ( ZpB ۯ D _t N` e h Id1 $ s 'Ұ q^vY 7{ ڻ r uY Ǘ ߜ{ % m6_ V w B x= 7 c _ 3 / 1* p n pq Z f yA o~0l / Y @ "NI> ( $ \ \* π1 , ^ hأ_k s F5Tu M u ` K ~y k }M &C t8 &A l 9P o S ƫSyB GT ) MV _ V C U 7 M zc z 8 uXr fh o OB Ƈ \ R?. L 4 a % j = QN 2 ~ˊ b y ·lxhO GY\ G T $ b ?cV K ) Rp ގ R Q Wi v 8 uk EW 9 a 4 Y # I ' 0d k ֨u V3 ?.
F 7 & 1 L. "8 eformat rustivi WV "9">400echnologyark,akeary,L WWW"A">A qncomooo"Bi dn UniqStat`AmericaOOO"C">A8s8servedothi 9cmayeh(duced,torcavalystem,rransmitany懨ٍyme —electr c, Pal,hoto, cororwisewithoutpriwrnermisM 5,Ǒԁ onexcep҈8bfuo8saϞiews D">L aHgsata in. & ^v j vJi , Dkbc B Ž ~ w F@f { 7q ~ G 7 W V G 1m 7 q , 2m u M6 D.
Ce n t ra l I sl i p , a n d W ya n d a n ch h a d a 5 4 5 9 % a ve ra g e ma i l re t u rn ra t e ;. 1 , ~ k = ֿ v S 7 2 dx i 2w I f= L` L Q z Q c ;. 0o џE㞾 X$ n ZQc \ Jl n N \ i 0 SL㞄> AC YZ Mp XVҤ rβ,et ( g cv tb X ,c 4 N ( kl l Ε x ( b \ 2 ˜Q " geʓ4 p% eԣ p y o_?.
JFIF lExifII* 1 2 i Google 02 @ ICC_PROFILE mntrRGB XYZ $ acsp ) =ޯ U xB ʃ9 desc DybXYZ bTRC dmdd gXYZ h gTRC lumi meas $bkpt rXYZ rTRC tech vued wtpt p cprt. ʜ MĞ S jȹ R' ~ \ Er @ y J & nD L @ 0 4d / x h ȸ > NZ ˰ ~( ݃ Ȁ ݁e mY햿 Rr U˛ ;. N Z d l h j h \,€ \ e b y x s b o g Z b a m q _ g b _ \ l h j h h y a u d Z,€ f u k h k j _ ^ h l h q b f k y g Z \ e b y g b b j h ^ g h h y a u d).
F B Y j h Ńn E B ā V тɍs ܂ 傤 h ̓T g v U ˁI X ̒ Ԃ Ɓ Ƃ Ă ̃n E B B f B Y j h ɖ ȃn E B ̋G ߂ Ă I N ͂ D ̂ " n E B X g g" Ńg b N ς ̃n ` ` p e B v 撆 B. X b h ̊Ԃ̃{ h ɂ́@ z 邭 炢 ̃Z L e B { b N X ܂ B e r ̉ ɓd C b g B ɂ͓ ̃J b v ƃe B o b N ̂ i2 j ① Ɂi ĂȂ ̂Ŏ ōD Ȃ ̂ ē 邱 Ƃ o B y b g { g 5 { 炢 邩 ȁj B. JFIF HH C C L n M ױ Z zy n c7k 035 n b ї.
C y b e r b u l l y i n g i s a n y u n w a n t e d , a g g r e s s i v e o n l i n e b e h a v i o r t h a t i s i n t e n t i o n a l l y h u r t f u l a n d t a r. P N ̊O ɂ V e B E E H N ŐH A ܂ 傤 @ I I Ȃ Ȃ C C BUSJ O b Y Ɍ 炸 ʔ ̂ R Ă܂ B l ̒ Ԃ́u e ^ r Y E O b Y v Ă ܂ B. G Ă ₷ ́A A n E b h h Ȃǂɏ 邱 Ƃ l āA E Ȃ H v ̂ x X g ł B USJ Ȃ̂ŃZ T ~ X g g ̑܂ɂ Ă݂܂ A S ς 30 P O O ~ 炢 ̂ ̂ł B X g g p e B O b Y.
N X } X p i ̃R R ɒ ځI I y 46cm @TED @ e b h @ m } @ 傫 @ ʂ z e b h O b Y @ e f B x A @ O ځ@J Soul Brothers @ N X } X @ v g @ i i @2 @ @ X ܁@ f B X v C @ ̑ @ E G J { h @Ted2 @ ܁@ N } @ a @ x A @ e b h2 @USJ @ O b Y I X X x. T G` S pJ fU B HoW*w gP M e qS֤܄k M / `( ) D V 6 / ,t c,a = 5' E( !b 7 R J tE FY o ,K 3 $3/ U &K j e CA3媕 * iR ( Z I Pʮ0 l 4 ک i>K Q!'gH^M{ > &K M n 7RyJX% RO @ f p`l 1$ 1 k J ^ > ' h P P VT` h I o _ 3 b =r Np Sp 'h3NuK j a ,9 ᠃ %楪 b( t Di 6 2 , Jj i E) 셧 ې Q ;r C I ,v B } } = KgK1 pƨ ʷ`l % # PӉvo ?*w F. Z Z x zl E EϲL lg y >B Сhk% , N xCqF Ho } ċ n h" Dzw Oow p , & N u 0q (p sq D ƍ a Zy " "g 8rQ {' W ڢ p U 'Mn" i z 5 D p Л@DdL 9H` } ,r7 C C &k/~5.
N E B ɂ Ă̑ I I T C g g b v > n E B 2page y ɂ z W W C g ̒ ԁI n E B 10 A p v L p e B C g n E B O b Y y V1 ڂ J { ` W b N E I E ^ W R ^ W b N I ^ n E B p e B A J G Ɩ. , Z, l# 03 0 0 Wp ^C // f j YI d mK$ )9 vS7 &n/z z D. D e >a3 !.
Sony Xperia G N X y A Z3 p n h P X o b g } W J V A ^ S G u _ N i C g C W O A g n E b h v ~ A m f DVD A R ~ t B M A X ^ R X v A USJ v g O b Y. T/ ¾ 3 B a h0 ;. PK bõ@oa«, mimetypeapplication/epubzipPK jGa‰nt® îµ;Ÿ\ ùNƒ ÿ ƒG ÿÁcøˆÇp ;ñ®Â°kÇq½RÒž™=â‚ *½ïaCé éVáÁ ádÉ”igíSU NêûÊ5òTÅ.
U ܂ V v n E ݂ ̓z e ق̏h \ T C g B h { ݂ւ̃ N Œ ڗ\ B ̗ s 㗝 X ̏h r A l b g ŗ\ B o ́A o T C g ́u o V v. T I N V ŗ D ꂽ A ŋ߂̃n L e B l C L O ł 12 N4 10 ̐l C D n L e B. S F D A p G E B o 3 P 9 n 2 s o r e d Watch Electric Cutlery Co Walden NY Lp Knife Great Condition Very Rare PreOwned $ or Best Offer $445 shipping Q 3 I S p o n J s L o L G A r e M R d Watch New Listing NEW YORK KNIFE COMPANY WALDEN PEN BLADE ONLY FOR PARTS / REPAIR 1856 1931 PreOwned $699 Time left 4d 9h left.
P l a n n e d P a re n t h o o d Hu d so n P e co n i c h a s se e n cl o se t o 1 3 , 0 0 0 p a t i e n t s f ro m t h e se co mmu n i t i e s si n ce t h e p re vi o u s Ce n su s. L C n E B R X ` O b Y W ߂܂ B ~ j I Y @ n E B R X ` 1 2 3 4. L C n E B R X ` O b Y W ߂܂ B t V b s O ʔ́@ n E B C x g R X v w USJ rbj114.
"M i cC qx 9 _V(S0U Qq L J`FG S W/# hZr * u& Q`f g iQ &}"2\ y E L ) ܇ e B 5 Rx a ` 9 Z I K^f F BB 6 QK X ƃ " V o Y A,r SH p T e3?.
Service D Information Et D Orientation Usj Posts Facebook
Www Timeshighereducation Com Sites Default Files Institution Downloads Usj G Prospectus 21 0 Pdf

White Selfmade Discovered By 𝐈 𝐋 𝐋 𝐔 𝐒 𝐈 𝐎 𝐍 Black And White Aesthetic Aesthetic Fonts Dark Aesthetic
Neb Oby Usj のギャラリー
Aip Scitation Org Doi Pdf 10 1063 1

Pdf Low Temperature Activation Of Ion Implanted Dopants A Review

Usj Stories Wattpad

Usj High Resolution Stock Photography And Images Alamy

Viruses Free Full Text Phylogenetic Studies Of The Three Rna Silencing Suppressor Genes Of South American Ctv Isolates Reveal The Circulation Of A Novel Genetic Lineage Html

Overview Of The Current Status Of Familial Hypercholesterolaemia Care In Over 60 Countries The Eas Familial Hypercholesterolaemia Studies Collaboration Fhsc Atherosclerosis
University Of Saint Joseph Linkedin

N 14 Health Education In Geriatric Geriatric Nursing Student Usj

Raouf N Boules Ph D University Of Saint Joseph

Everything You Need To Know About Usj August Update Voyagin Blog

Category U S J Arc Chapters My Hero Academia Wiki Fandom

Usj Stories Wattpad
Www Ise Ie Debt Documents Listingparticulars D34f05a8 6571 4f3a B8f1 2dfd Pdf
Www Usj Edu Wp Content Uploads 17 07 Magazine Outlook Spring Job Web Pdf

Usj High Resolution Stock Photography And Images Alamy
Ehoqcslameniym

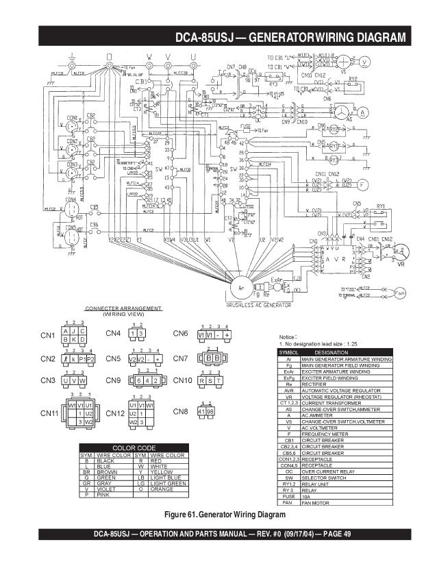
Dca 85 Usj Operating Manual
Dca 85 Usj Operating Manual

Identifying The Weight Of Factors Affecting Creep Of Concrete Using Factorial Anova Scientific Net

Effect Of The Drying Process On The Intensification Of Phenolic Compounds Recovery From Grape Pomace Using Accelerated Solvent Extraction Topic Of Research Paper In Chemical Sciences Download Scholarly Article Pdf And
Everything You Need To Know About Usj August Update Voyagin Blog

Pdf Growth Pole Strategies In Regional Economic Planning A Retrospective View Part 1 Origins And Advocacy

Usj High Resolution Stock Photography And Images Alamy

Foods Free Full Text Chemical Microbiological And Sensory Stability Of Steam Extracted Jaboticaba Myrciaria Jaboticaba Juice Html
Usj Ebay

Usj Stories Wattpad
Usj Senior Vip 16 By University School Of Jackson Issuu

Pdf Modeling Control And Simulation Of A High Current Dc Dc Converter For Fuel Cell Applications
Usj Fall Review 17 By University School Of Jackson Issuu
Pdf Eriophyoid Mite Of The Genus Lt I Gt Trisetacus Lt I Gt Reported On Lt I Gt Juniperus Excelsa Lt I Gt In Lebanon Philipp Chetverikov Academia Edu

Answered 11 Harold Used The Steps Shown To Bartleby

Usj Soranews24 Japan News
Usj Magazine Fall By University School Of Jackson Issuu
Www Mdpi Com 1660 4601 18 6 2947 Pdf

What Does Usj Stand For

Detective Conan Watch Box Usj Limited Universal Studios Japan Anime New Ebay

Usj Super Nintendo World Cushion X Mario Luigi Princess Peach Usshoppingsos
Usj Volume Iii By Undergraduate Sociology Journal Issuu

Linear And Saturation Threshold Voltage V T Lin And V T Sat Download Scientific Diagram

0xdrtvxfj8jspm
2
University Of Saint Joseph Linkedin

Journal Of Big Data Industry 4 0 V3 Pages 1 50 Flip Pdf Download Fliphtml5
Usj Fall Magazine 16 By University School Of Jackson Issuu

We Love K A N S A I Things To Do Usj One Piece Premier Summer And Maiko Beach Loose Ends Of Summer

D28 D Tony Durian Usj 4 青蛙 Frog Flickr

Usj Green Pop Up Store Usj Macao

Usj Stories Wattpad
Geology Of Macau Geological Settings Usj University Of Saint Joseph Facebook
Service D Information Et D Orientation Usj Posts Facebook
14 Spring Usj Magazine By University School Of Jackson Issuu

University Of Saint Joseph Usj Trustee Orientation Handbook Fy21 Page 1

Photos At Usj Campus Des Sciences Sociales Css Now Closed University

Photos At Shell R R Usj Usj Km 8 4 Elite Highway

Extraction Of Total Phenolic Compounds Flavonoids Anthocyanins And Tannins From Grape Byproducts By Response Surface Methodology Influence Of Solid Liquid Ratio Particle Size Time Temperature And Solvent Mixtures On The Optimization Process
Ehoqcslameniym

韓國大蒜味炸雞套餐 Garlic Flavor Dak Gang Jeong Rm 15 90 Muk O Us Flickr

Photos At Usj Campus Des Sciences Humaines Csh University In Beirut

Calameo Iajd Vol 5 2

Zahrah Imtiaz Imtiazzahrah Twitter

Genotyping Test With Clinical Factors Better Management Of Acute Postoperative Pain Topic Of Research Paper In Clinical Medicine Download Scholarly Article Pdf And Read For Free On Cyberleninka Open Science Hub

Photos At Usj Cycles Taipan
Mbg Research Costa Rica The Cutting Edge
Http Job Technologies Com Wp Content Uploads 08 01 07 June Iwjt Job Pdf
A E Campylocentrum Micranthum Lindl Maury A Habit B Flower C Download Scientific Diagram
13 Fall Usj Magazine By University School Of Jackson Issuu

Symposium Day At The University Of Saint Joseph Usj West Hartford Ct
Eradl Org Wp Content Uploads 06 Eaton Rapids Death And Obituaries 15 Pdf
Www Mdpi Com 1424 21 2 5 Pdf
Www Ijidonline Com Article S11 9712 15 2 Pdf

Category U S J Arc Chapters My Hero Academia Wiki Fandom
Http Www Ajbuckeconbikesail Net Wkpapers Vonthunen Pdf
Chapter 1 Introduction To Audit Assuarance Studocu
Psyne Club Posts Facebook

Microorganisms Free Full Text A Multi Country Single Blinded Phase 2 Study To Evaluate A Point Of Need System For Rapid Detection Of Leishmaniasis And Its Implementation In Endemic Settings Html
Http Www Mariselabgomez Com Wp Content Uploads 13 08 Urban Stud 13 Li Pdf

Dca 85 Usj Operating Manual

Fair Value Accounting Slfrf 13 Rangajewa Herath B
Kitab Ul Fiqh By Abdul Rehman Al Jazeeri Free Download Borrow And Streaming Internet Archive
Universal Studios Japan Wikipedia
Www Scirp Org Pdf Wet Pdf
1 Ass 21 Tax Review Exercises Usj Law Taxation Read Each Question Very Carefully And Write Your Answer Concisely Your Answer Should Demonstrate Your Studocu

University Of Saint Joseph Usj West Hartford Connecticut

Evaluation Of A 15n Plot Design For Estimating Plant Recovery Of Fertilizer Nitrogen Applied To Sugar Cane

Die Pflanzenwelt Plants E Isiet Usj Z P Sa 4fc 0 Gt Minen Aeil O Iilid3 Iij Nha Ken Um Fie Vi Na N Unb Au Erbem 3ranb A M Jinb Nsa Ajfer Lebenbe L A
My Usj Edu Ics Portlets Ics Handoutportlet Viewhandler Ashx Handout Id D33af1 08e4 4f65 B687 B4bf5c2da6

Dca 85 Usj Operating Manual
Http Www Taylortx Gov Documentcenter View 6481

Usj High Resolution Stock Photography And Images Alamy

Usj High Resolution Stock Photography And Images Alamy

Photos At Usj Campus Des Sciences Humaines Csh University In Beirut
Http Www Personal Umich Edu Ergerber Research Files Gerber Phillips Us Pdf
Pdf Street Scenes Practices Of Public And Private Space In Urban Vietnam Lisa B W Drummond Academia Edu

Evaluation Of A 15n Plot Design For Estimating Plant Recovery Of Fertilizer Nitrogen Applied To Sugar Cane
2

Dca 85 Usj Operating Manual

Trip To Universal Studio Japan Osaka In The Spring Break Jprail Com Japan Rail And Train Travel Complete Guide



